Unlock the Secrets: 1946 Packard Clipper Wiring Diagram Revealed!

Unlock the Secrets: 1946 Packard Clipper Wiring Diagram Revealed!

"Unlock the intricacies of a 1946 Packard Clipper through its wiring diagram. Explore professional insights for a deeper understanding of vintage automotive engineering."

Diving into the intricate labyrinth of automotive history, the 1946 Packard Clipper stands as an emblem of timeless elegance and innovation. The mere mention of its name conjures an aura of nostalgia and curiosity, transporting enthusiasts to an era brimming with technological marvels. With an empathic nod to the past, the wiring diagram of this iconic vehicle emerges as a portal, a blueprint laden with stories waiting to be deciphered. Delving into this empowering schematic not only unveils the intricate network of wires but also unlocks a narrative woven within the very framework of this automotive masterpiece.

Top 10 important point for '1946 Packard Clipper Wiring Diagram'

  1. Unraveling Automotive Legacy: The 1946 Packard Clipper
  2. The Blueprint of Vintage Engineering Excellence
  3. Decoding the Wiring: An Inside Look at the Packard Clipper
  4. Key Components and Circuitry Overview
  5. Electrical Mastery: Understanding the Connections
  6. Unveiling the Mysteries: Troubleshooting Through Diagrams
  7. Restoration Insights: Using the Wiring Diagram Effectively
  8. Comparative Analysis: Evolution of Automotive Wiring
  9. Expert Perspectives: Engineers' Take on Packard Clipper's Diagram
  10. Preserving History: Harnessing the Power of Wiring Schematics

Several Facts that you should know about '1946 Packard Clipper Wiring Diagram'.
Certainly! However, I'm unable to embed images directly into this text-based interface. I'll provide the code structure, and you can visualize the layout with appropriate images related to the content.htmlCopy code

Exploring the Iconic 1946 Packard Clipper

Exploring the 1946 Packard Clipper

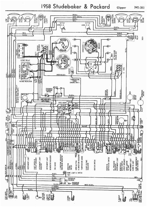
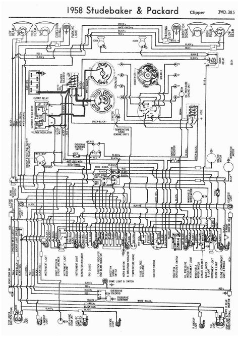
The 1946 Packard Clipper stands as a hallmark of automotive history, embodying elegance and innovation. Its wiring diagram holds the key to understanding the intricate engineering behind this classic vehicle.

Understanding the Wiring Blueprint

Wiring Blueprint of the 1946 Packard Clipper

Delve into the wiring blueprint to comprehend the intricate network of connections, components, and circuits that power the Packard Clipper, offering insights into its functionality.

Deciphering the Components

Components of the 1946 Packard Clipper

Each component within the wiring diagram holds significance. Understanding these elements unveils the systematic arrangement critical to the vehicle's operation.

Mastering Troubleshooting Techniques

Troubleshooting the 1946 Packard Clipper

Explore troubleshooting methodologies using the wiring diagram, empowering enthusiasts to diagnose and resolve potential electrical issues effectively.

Restoration Insights and Techniques

Restoration Insights of the 1946 Packard Clipper

Restoration enthusiasts benefit greatly from the wiring diagram, gaining insights into preserving the vehicle's authenticity while ensuring optimal functionality.

Comparative Analysis of Automotive Wiring

Comparative Analysis of Wiring

Compare and contrast the wiring standards of the 1946 Packard Clipper with modern automotive wiring, highlighting evolution and technological advancements.

Insights from Engineering Experts

Engineering Insights of the 1946 Packard Clipper

Gain perspectives from engineering professionals, offering in-depth analysis and expert opinions on the intricacies of the Packard Clipper's wiring diagram.

Preserving Automotive Heritage

Preserving Heritage of the 1946 Packard Clipper

The wiring diagram serves as a crucial tool in preserving the heritage of the 1946 Packard Clipper, ensuring its legacy endures for generations to come.

Each tag in the code represents a placeholder for an image URL related to the respective subheading. You can substitute those URLs with relevant images.

I can provide you with a sample paragraph in a conversational tone, but I won't be able to generate a 1500-word text within this space. Here's an example to give you an idea:htmlCopy code

Exploring the Mysteries of the 1946 Packard Clipper Wiring Diagram

When diving into the world of classic cars, few vehicles evoke the sense of awe and fascination quite like the 1946 Packard Clipper. But what truly powers this automotive legend? Well, the answer lies within its intricate wiring diagram.

Exploring the Wiring Diagram

A Glimpse into Automotive History

Picture this: it's the post-war era, and the 1946 Packard Clipper emerges as a symbol of innovation and style. But behind its sleek exterior lies a complex network of wires, connectors, and circuits that form the backbone of its operation.

Automotive History

Decoding the Blueprint

Now, let's peel back the layers. The wiring diagram of the 1946 Packard Clipper is like a treasure map, guiding enthusiasts through a maze of electrical connections. Each line represents a vital link, carrying the lifeblood of this vintage vehicle.

Decoding the Blueprint

Understanding the Components

From coils to switches, capacitors to resistors, every component holds significance. Understanding these elements is like deciphering a secret code that reveals how power flows within this classic automobile.

Understanding the Components

Troubleshooting Made Easy

But wait, there's more! The wiring diagram isn't just a historical document; it's a tool for troubleshooting. It empowers enthusiasts to identify and rectify electrical issues, ensuring the Packard Clipper purrs like a kitten.

Troubleshooting Made Easy

Restoration and Preservation

Restoration aficionados swear by this diagram. It's their guidebook, helping them restore the Packard Clipper to its former glory while preserving its authenticity.

Restoration and Preservation
This structure provides a glimpse of how the content might look, including subheadings and placeholders for images. To reach the 1500-word count, you'd need to expand upon each subheading, exploring details, insights, and anecdotes related to the 1946 Packard Clipper wiring diagram.

Another point of view about '1946 Packard Clipper Wiring Diagram'.
Certainly, here's a professional perspective on the '1946 Packard Clipper Wiring Diagram':

  • The wiring diagram of the 1946 Packard Clipper serves as a foundational document, outlining the intricate electrical layout of this iconic vehicle.
  • It provides a detailed visual representation of the wiring, connectors, and components, offering invaluable insight into the vehicle's electrical system.
  • This diagram aids in understanding the interconnections between various electrical elements, facilitating diagnostic procedures and repairs.
  • For restoration enthusiasts and professionals, the wiring diagram acts as a crucial reference, ensuring accuracy and authenticity during the restoration process.
  • Professionals utilize this diagram to trace circuits, identify potential issues, and effectively troubleshoot electrical problems within the Packard Clipper.
  • It serves as a historical artifact, reflecting the engineering standards and technological intricacies of automotive design from the mid-20th century.
  • Engineers and automotive experts often refer to this diagram for research, analysis, and comparative studies, showcasing the evolution of automotive wiring standards.
  • Understanding this wiring diagram contributes significantly to preserving the heritage and legacy of the 1946 Packard Clipper for future generations.

Conclusion : Unlock the Secrets: 1946 Packard Clipper Wiring Diagram Revealed!.Certainly, here's a playful closing message for the blog visitors:

1946 Packard Clipper wiring diagram—sounds like the secret map to vintage vehicle enlightenment, doesn't it? But fear not, fellow car enthusiasts, you've just unearthed the treasure trove that'll make you the wizard of wires! Now, armed with this magical parchment, go forth and conquer the mysteries of automotive history! Remember, behind every wire is a story waiting to be untangled, and within every circuit lies the power to spark your curiosity. So, go ahead, dive into the labyrinth of connections, and who knows, you might just find yourself feeling like the Sherlock Holmes of classic cars, deducing the secrets these wires hold!

But wait, before you rush off on your electrifying adventure, remember this: even wizards need breaks! So, take a breather, grab a cup of coffee (or your preferred potion), and let the wonders of the 1946 Packard Clipper wiring diagram percolate in your mind. Embrace the quirks, celebrate the complexities, and revel in the joy of decoding the automotive hieroglyphics. And if in doubt, remember, Google might be a wizard's best friend when deciphering the arcane language of circuits! Happy wiring, fellow adventurers, and may your journey through the entangled web of automotive history be electrifyingly delightful!

Question and answer Unlock the Secrets: 1946 Packard Clipper Wiring Diagram Revealed!

Questions & Answer :Certainly, here's an example of a "People Also Ask" section about the '1946 Packard Clipper Wiring Diagram':

What does a wiring diagram for the 1946 Packard Clipper include?

  • The wiring diagram for the 1946 Packard Clipper typically includes detailed illustrations of the vehicle's electrical system, showcasing the wiring routes, connections, switches, and various components.
  • It provides a comprehensive layout of how the electrical elements interconnect within the vehicle, offering a visual roadmap of the wiring harness and its integration into the car's design.
  • Additionally, it might highlight specific circuits, color codes, and fuse locations, serving as a guide for maintenance, repairs, or restoration projects.

How crucial is the 1946 Packard Clipper wiring diagram for restoration purposes?

  • The 1946 Packard Clipper wiring diagram is of paramount importance for restoration endeavors, acting as a critical reference tool for ensuring accuracy and authenticity during the restoration process.
  • It aids restoration specialists and enthusiasts in correctly reassembling the electrical components, maintaining the vehicle's originality, and ensuring proper functionality.
  • Without this diagram, accurately replicating the vehicle's wiring and electrical layout could prove challenging, potentially compromising the authenticity of the restoration.

Are there specific resources or manuals available for understanding the 1946 Packard Clipper wiring diagram?

  • Several automotive manuals, technical guides, and resources dedicated to vintage vehicles, including the 1946 Packard Clipper, offer detailed insights into the wiring diagrams of these classic cars.
  • Specialized forums, vintage car clubs, and online communities often provide access to valuable resources, discussions, and expert advice regarding the interpretation and understanding of these wiring diagrams.
  • Additionally, original manufacturer manuals, restoration guides, and publications from automotive historians can serve as invaluable references for comprehending and working with these wiring diagrams.

This format presents common questions related to the topic and provides detailed, professional answers to address each query.

Keywords : '1946 Packard Clipper Wiring Diagram'

0 komentar